Exam-like Problems¶
Lab11 exam problems are due Monday, December 1st by 11:59pm
Put your solutions in the file problems.pdf in your Lab11 GitHub repo
You will just be graded on attempted solutions, not correct solutions
Show your work.
We will go over the solutions to the problems on Tuesday, December 2nd and Wednesday, December 3rd.
Question 1 - Sum-of-Products¶
Consider implementing the Majority function of 3 1-bit inputs, r = majority(a, b, c). The the value of the Majority function is true if and only if the majority (at least two) inputs are true. For example:
Build a truth table for this function. Next, derive the sum-of-products boolean algebra equation for this function. Finally, draw a circuit that implements this function in terms of AND, OR, and NOT gates.
Question 2 - Sum-of-Products (Variation)¶
Consider implementing the 3-input XOR function, r = xor3(a, b, c). The XOR function outputs true if an odd number of inputs are true. For example:
xor3(1, 0, 1) = 0 (even number of 1s: two)
xor3(1, 1, 1) = 1 (odd number of 1s: three)
xor3(0, 1, 0) = 1 (odd number of 1s: one)
xor3(1, 1, 0) = 0 (even number of 1s: two)
Build a truth table for this function. Next, derive the sum-of-products boolean algebra equation for this function. Finally, draw a circuit that implements this function in terms of AND, OR, and NOT gates.
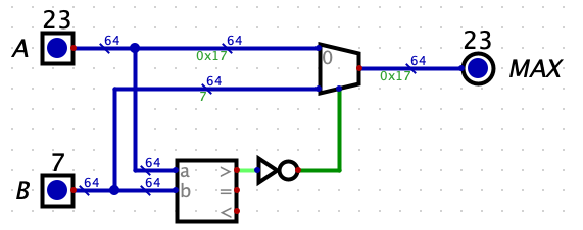
Question 3 - Digital Design¶
Consider the following circuit called Max2, that determines the maximum of two 64-bit inputs. That is, the circuit take inputs A and B and the output is A if A > B, otherwise the output is B.

Build a new circuit called Max3 that determines the maximum value of 3 inputs: A, B, and C. You can use the library circuits use above (the comparator and multiplexor) and any additional gates you may need. Give a brief explanation in English how your new circuit works. Draw neatly. Note, you cannot implement Max3 in terms of Max2, you must use components and gates.
Question 4 - Digital Design (Variation)¶
Consider the Max2 circuit from Question 3, which determines the maximum of two 64-bit inputs using a comparator and multiplexor.
Build a new circuit called Sort2 that takes two 64-bit inputs A and B and produces two outputs: OUT1 and OUT2, where OUT1 contains the smaller value and OUT2 contains the larger value. For example:
- If inputs are A=5, B=12, then OUT1=5 and OUT2=12
- If inputs are A=20, B=8, then OUT1=8 and OUT2=20
- If inputs are A=7, B=7, then OUT1=7 and OUT2=7
You can use the library circuits from above (comparators that output 1 if A > B, and multiplexors) and any additional gates you may need. Give a brief explanation in English how your circuit works. Draw neatly.
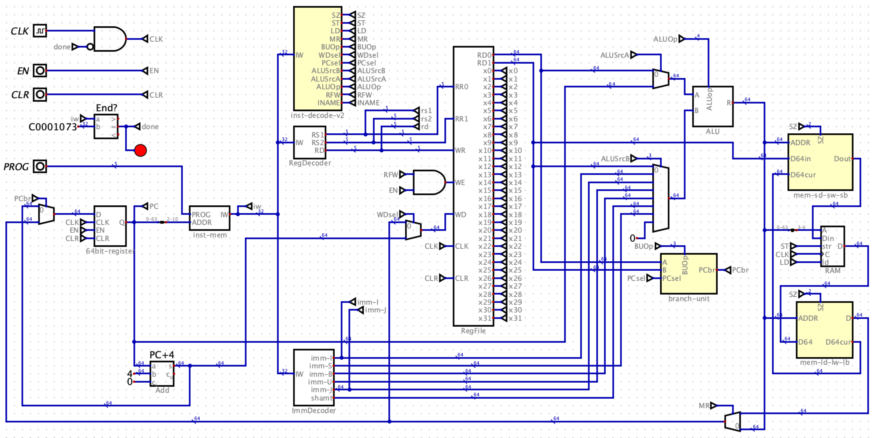
Question 5 - Single Cycle Processor¶
Consider the following version of the RISC-V single-cycle processor you developed for Project06. For this problem you are going to answer some questions about the implementation then explain how to add some new instructions.

Answer the following questions below. Justify your answers. Answers without justification will receive 0.
- (1) What is the maximum number of instructions a single program can have in this processor?
- (2) How many registers can be updated in a single clock cycle?
- (3) Which instruction uses the second input to the ALUSrcA MUX?
- (4) What is the purpose of the SZ input to
mem-sd-sw-sbandmem-ld-lw-lb?
Now you are going to explain how to add new instructions to this processor. For each instruction, describe any additions or changes needed to the data path, the control path, and components. Also, explain changes needed in the instruction decoder. Completeness and details in your answer are important. You should assume that each of these instructions are currently not supported by this processor.
-
(5) LWU (load word unsigned) This instruction loads a word (32 bits) from memory and puts the value into a 64 bit register. However, the word is not sign extended, like with LW (load word). Example usage:
lwu t0, (a0) -
(6) SWPR (swap registers). This new instruction swaps two register values. Without this instruction, to swap register values, say
With SWPR, you can just doa0anda1you need to do the following:swpr a0, a1
Question 6 - Single Cycle Processor (Variation)¶
Consider the RISC-V single-cycle processor diagram from Question 5. Answer the following questions below. Justify your answers. Answers without justification will receive 0.
- (1) What is the maximum size (in bytes) of data memory that this processor can address?
- (2) What determines the minimum clock cycle time for this processor?
- (3) Which instruction(s) use the output of the Data Memory component?
- (4) Why does the processor need both an ALU and an Adder (the one that computes PC+4)?
Now you are going to explain how to add new instructions to this processor. For each instruction, describe any additions or changes needed to the data path, the control path, and components. Also, explain changes needed in the instruction decoder. Completeness and details in your answer are important. You should assume that each of these instructions are currently not supported by this processor.
-
(5) LBU (load byte unsigned): This instruction loads a single byte (8 bits) from memory and puts the value into a 64-bit register. However, the byte is zero-extended (not sign-extended) like with LB (load byte). The upper 56 bits are filled with zeros. Example usage:
lbu t0, 0(a0) -
(6) ADDI2 (add immediate to 2 registers): This new instruction adds the same immediate value to two consecutive registers in a single instruction. For example,
addi2 a0, a0, 8would simultaneously compute: a0 = a0 + 8a1 = a1 + 8
This instruction is useful for efficiently updating multiple loop counters or array pointers.
Question 7 - Pipelined Processor¶
Consider the project07 starter pipelined processor below.

Answer the following questions and provide justification for answers. Answers without justification will receive 0.
Consider running the following code on the starter pipeline processor.
-
(1) Explain why the code above produces the wrong result on the starter pipeline processor.
-
(2) What result does this give? That is, what value will be in
a0after executing this code? -
(3) Without modifying the processor implementation, how could you modify this code to make it run correctly?
Now consider running this code on a complete solution to project07. That is a version of this pipeline with a proper hazard unit that supports forwarding, stalling and flushing.
-
(4) How many clock cycles will it take to complete the code given above?
-
(5) When the code executes, are any flushes or stalls needed?
Now consider the following code on a complete solution to project07:
-
(6) How many clock cycles are needed to execute this program?
-
(7) Is flushing needed when executing this code? If so, explain when it is needed.
-
(8) Is stalling needed when executing this code? If so, explain when it is needed?
-
(9) Is forwarding needed when excuting this code? If so, explain when it is needed.